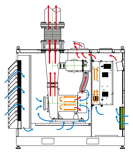
Контроллер, VFD и двигатель устанавливаются в одном корпусе. Воздуходувка представляет собой простую конструкцию типа Plug&Play, которая готова к работе после подключения к трубопроводам и электропитанию.
Основные компоненты


Контроллер, VFD и двигатель устанавливаются в одном корпусе. Воздуходувка представляет собой простую конструкцию типа Plug&Play, которая готова к работе после подключения к трубопроводам и электропитанию.